;

871R 3-Wire DC - кольцо производства Allen-Bradley

871R DC микро 100мм
  • 871R DC микро 100мм
  • 871R DC микро  50мм
  • 871R DC кабель 12 и 20мм
871R 3-Wire DC - кольцо
  • 3-проводное
  • 3-проводная, 4-контактный микро QD стиль
  • 10 ... 30 В постоянного тока
  • Обратная полярность, короткое замыкание, перегрузка, ложно импульса и защиты от переходных шума
  • Маркировка CE для всех применимых директив
Данный текст переведен при помощи автоматизированной системы машинного перевода. В ближайшее время будет выполнен ручной перевод. Извините за предоставленные неудобства.

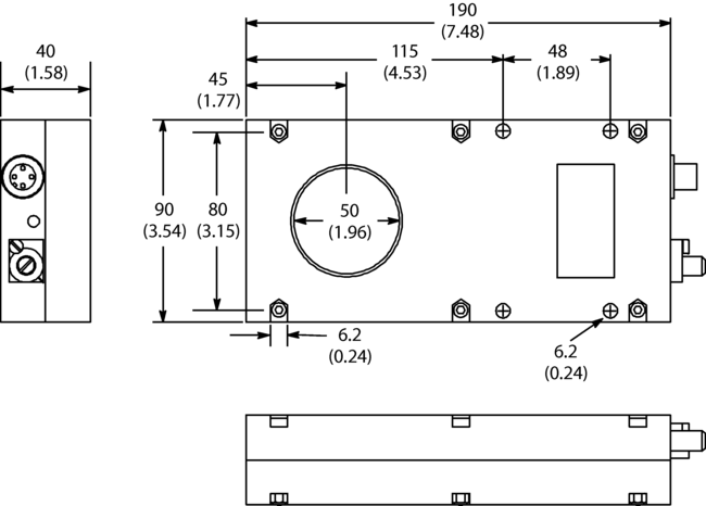
Размеры указаны в мм (дюймах). Размеры не предназначены для использования для целей установки.

Кабельное Стиль (кат. № 871R-D12NP39-E2)
Увеличить - 871R-D12NP39-E2_dims

Кабельное Стиль (кат. № 871R-D20NP73-E2)
Увеличить - 871R-D20NP73-E2_dims

Микро Быстроразъемные Стиль (871R-D50NP90-D4 и 871R-D50NN90-D4)
Увеличить - 871R-D50NP90-D4_871R-D50NN90-D4_dims

Микро Быстроразъемные Стиль (871R-D100NP120-D4 и 871R-D100NN120-D4)
Увеличить - 871R-D100NP120-D4_871R-D100NN120-D4_dims
Код Артикул Описание Заказать
175139 871R-D100NN120D4 Микро QD  подключение; Диаметр кольца: 100 мм. Размер [мм (дюйм)]: 8 (0,31). конфигурация: N.O. and N.C. NPN. Частота переключений [Hz]: 500 Заказать
175138 871R-D100NP120D4 Микро QD  подключение; Диаметр кольца: 100 мм. Размер [мм (дюйм)]: 8 (0,31). конфигурация: N.O. and N.C. PNP. Частота переключений [Hz]: 500 Заказать
175134 871R-D12NP39-E2 Кабельное подключение; Диаметр кольца: 12 мм. Размер [мм (дюйм)]: 2.5 (0.10). конфигурация: N.O.PNP. Частота переключений [Hz]: 800 Заказать
175135 871R-D20NP73-E2 Кабельное подключение; Диаметр кольца: 20 мм. Размер [мм (дюйм)]: 6 (0,24). конфигурация: N.O.PNP. Частота переключений [Hz]: 1000 Заказать
175137 871R-D50NN90-D4 Микро QD  подключение; Диаметр кольца: 50 мм. Размер [мм (дюйм)]: 3 (0.12). конфигурация: N.O. and N.C. NPN. Частота переключений [Hz]: 500 Заказать
175136 871R-D50NP90-D4 Микро QD  подключение; Диаметр кольца: 50 мм. Размер [мм (дюйм)]: 3 (0.12). конфигурация: N.O. and N.C. PNP. Частота переключений [Hz]: 500 Заказать
;