;

Опоры воздушных линий ВЛ 6-10 и 20 КВ

Отправив нам запрос, вы в кратчайшие сроки получите предложение с ценой и сроками поставки товара.
Анкерные опоры с железобетонными приставками для I-IV районов гололедности АП10-10ДБ
Анкерные опоры с железобетонными приставками для I-IV районов гололедности АП10-10ДБ
Анкерные повышенные опоры с деревянными приставками для I-IV районов гололедности АП10-10ДД
Анкерные повышенные опоры с деревянными приставками для I-IV районов гололедности АП10-10ДД
Опоры К10-10ДБ, К10-11ДБ
Концевые опоры с железобетонными приставками для I-IV районов гололедности К10-10ДБ, К10-11ДБ
Опоры К10-10ДД, К10-11ДД
Концевые опоры с деревянными приставками для I-IV районов гололедности К10-10ДД, К10-11ДД
Ответвительные опоры с железобетонными приставками для I-IV районов гололедности ОА10-10ДБ, ОА10-11ДБ
Ответвительные опоры с железобетонными приставками для I-IV районов гололедности ОА10-10ДБ, ОА10-11ДБ
Ответвительные опоры с деревянными приставками для I-IV районов гололедности ОА-10ДД, ОА10-11ДД
Ответвительные опоры с деревянными приставками для I-IV районов гололедности ОА-10ДД, ОА10-11ДД
Опоры АК10-1Д, АК10-2Д, АК20-1Д и АК20-2Д
Концевые (анкерные) опоры из цельного леса для ненаселенной и населенной местности в I - IV районах гололедности АК10-1Д, АК10-2Д, АК20-1Д и АК20-2Д.
Опоры АК10-2ДД, АК10-3ДД, АК20-2ДД и АК20-3ДД
Концевые (анкерные) опоры на деревянных приставках для ненаселенной и населенной местности в I - IV районах гололедности АК10-2ДД, АК10-3ДД, АК20-2ДД и АК20-3ДД.
Промежуточные опоры с деревянными приставками для I-IV районов гололедности П10-10ДД, П10-11ДД
Промежуточные опоры с деревянными приставками для I-IV районов гололедности П10-10ДД, П10-11ДД.
Опоры УА10-10ДБ, УА10-11ДБ
Угловые анкерные опоры с железобетонными приставками для I-IV районов гололедности УА10-10ДБ, УА10-11ДБ
Опоры УА10-10ДД, УА10-11ДД
Угловые анкерные опоры с деревянными приставками для I-IV районов гололедности УА10-10ДД, УА10-11ДД
Опоры УА10-12ДБ, УА10-13ДБ
Угловые анкерные опоры с железобетонными приставками для I-IV районов гололедности УА10-12ДБ, УА10-13ДБ
Опоры УА10-12ДД, УА10-13ДД
Угловые анкерные опоры с деревянными приставками для I-IV районов гололедности УА10-12ДД, УА10-13ДД
Опоры УП10-10ДБ, УП10-11ДБ, УП10-12ДБ
Угловые промежуточные опоры с железобетонными приставками для I-IV районов гололедности УП10-10ДБ, УП10-11ДБ, УП10-12ДБ.
Угловые промежуточные опоры УП10-10ДД и УП10-11ДД
Угловые промежуточные опоры с деревянными приставками для I-IV районов гололедности УП10-10ДД, УП10-11ДД.
Опоры УП10-12ДД, УТ10-13ДД
Угловые промежуточные опоры с деревянными приставками для I-IV районов гололедности УП10-12ДД, УП10-13ДД
Опоры угловые УП10-2ДД, УП10-3ДД, УП20-2ДД и УП20-3ДД
Угловые промежуточные опоры на деревянных приставках для ненаселенной и населенной местности в I - IV районах гололедности УП10-2ДД, УП10-3ДД, УП20-2ДД и УП20-3ДД.
Опоры УП10-3ДБ, УП10-4ДБ, УП20-3ДБ и УП20-4ДБ.
Угловые промежуточные опоры на железобетонных приставках для ненаселенной и населенной местности в I-IV районах гололедности УП10-3ДБ, УП10-4ДБ, УП20-3ДБ и УП20-4ДБ.
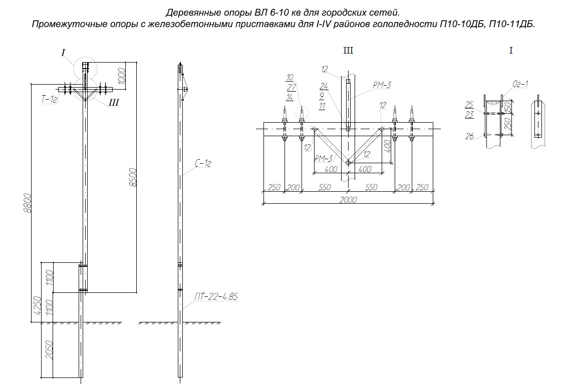
Промежуточные опоры с железобетонными приставками для 1-4 районов гололедности П10-10ДБ и П10-11ДБ
Промежуточные опоры с железобетонными приставками для 1-4 районов гололедности П10-10ДБ и П10-11ДБ
Опоры деревянные П10-1Д и П20-1Д
Промежуточные опоры из цельного леса для ненаселенной местности в 1-м и 2-м районах гололедности П10-1Д и П20-1Д
Промежуточные опоры из цельного леса для ненаселенной и населенной местности в I-IV районах гололедности П10-2Д, П10-3Д, П10-4Д, П20-2Д и П20-3Д
Промежуточные опоры из цельного леса для ненаселенной и населенной местности в I-IV районах гололедности П10-2Д, П10-3Д, П10-4Д, П20-2Д и П20-3Д.
Промежуточные опоры с деревянной приставкой П10-4ДД и П20-4ДД и на железобетонных приставках П10-7ДД и П20-7ДД
Промежуточные опоры с деревянной приставкой в ненаселенной местности для I и II районов гололедности П10-4ДД и П20-4ДД и опоры на железобетонных приставках П10-7ДБ и П20-7ДБ.
Промежуточные опоры с деревянной приставкой для ненаселенной местности в П10-5ДД и П20-5ДД
Промежуточные опоры с деревянной приставкой для ненаселенной местности в I - IV районах гололедности П10-5ДД и П20-5ДД.
Опоры П10-8ДБ, П10-9ДБ, П20-8ДБ и П20-9ДБ (ВЛ 6-10,20)
Промежуточные опоры с железобетонной приставкой для ненаселенной и населенной местности I,II и III районов гололедности П10-8ДБ, П10-9ДБ, П20-8ДБ и П20-9ДБ.
Опоры ПП10-10ДБ, ПП10-11ДБ
Промежуточные повышенные опоры с железобетонными приставками для I-lV районов гололедности ПП10-10ДБ, ПП10-11ДБ
Опоры ПП10-10ДД, ПП10-11ДД
Промежуточные повышенные опоры с деревянными приставками для I-IV районов гололедности ПП10-10ДД, ПП10-11ДД.
Опоры УП10-1Д, УП10-2Д, УП20-1Д И УП20-2Д
Угловые промежуточные опоры из цельного леса для ненаселенной и населенной местности в I-IV районах гололедности УП10-1Д, УП10-2Д, УП20-1Д И УП20-2Д
;