;

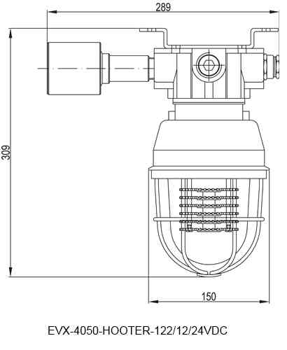
EV-4050-HOOTER-122 Взрывозащищенный светозвуковой оповещатель производства Горэлтех

Взрывозащищенный светозвуковой оповещатель EV-4050-HOOTER-122 (взрывозащищенная комбинированная сирена+маяк)

НАЗНАЧЕНИЕ И ОБЛАСТЬ ПРИМЕНЕНИЯ

Взрывозащищенный светозвуковой оповещатель EV-4050-HOOTER-122 представляет собой взрывобезопасное комбинированное устройство, включающие в себя функции звукового и светового сигнализатора. Взрывозащищенные светозвуковые оповещатели EV-4050-HOOTER-122 предназначены для непрерывной круглосуточной работы в дежурном режиме (обеспечение возможности выдачи светозвуковых сигналов тревожной сигнализации) во взрывоопасных зонах промышленных предприятий и строительных объектов, с присутствием в атмосфере горючих газов и пыли. Максимальный уровень звукового давления 102 дБ.

Применение взрывозащищенных постов светозвукового оповещения EV-4050-HOOTER-122 с высоким уровнем выходного сигнала на больших и/или шумных площадях, означает эффективную сигнализацию с сильным и точным уровнем сигнала. Использование сигнализаторов с высоким уровнем звукового давления экономически оправдано, т.к. уменьшается количество сигнализаторов, как следствие – сокращается количество кабеля и сроки монтажа.

ОБЛАСТЬ ПРИМЕНЕНИЯ
– добыча и транспортировка нефти
– добыча и транспортировка газа
– нефтеперерабатывающие заводы НПЗ
– химические заводы
– черная (ЧМ) и цветная металлургия (ЦМ) 
– целлюлозно-бумажная промышленность
– пищевая промышленность
– АЭС, обогатительные фабрики и др.
– оборонная промышленность
– энергетика (ТЭЦ, ГЭС, ГРЭС, котельное хозяйство )
– водоснабжение
– канализация
– утилизация отходов
– горнодобывающая промышленность
ТЕХНИЧЕСКИЕ ДАННЫЕ
Температура окружающей среды, °С: -60...+85
Номинальное напряжение, В:
12
~220 (50/60 Гц)
Мощность лампы:
Ксеноновая лампа: 0,5 Дж
Светодиодная лампа: 6-9 Вт (в зависимости от цвета свечения)
Максимальный уровень звукового давления, дБ: 102
Типа свечения:
Прерывистое / постоянное свечение (по согласованию)
Варианты звукового сигнала:
По согласованию
Материал корпуса:
Коррозионностойкий модифицированный алюминиево-кремниевый сплав GALSi13 марки “KSi13”, устойчивый к солевому туману и другим химическим веществам, в том числе устойчивый к парам сероводорода и соляной кислоты, к солевым и кислым рудничным водам, фрикционно искробезопасный. Колпак - термостойкое ударопрочное боросиликатное стекло.
Покрытие:
Антистатическое полимерно-эпоксидное окрашивание, фрикционно искробезопасное, устойчивое к рабочим средам и ионизирующему излучению. Цвет RAL 7035 (по требованию RAL FIRE).
Резьба на присоединительных отверстиях:
Трубная коническая Rc ISO 7/1  3/4
Класс защиты от поражения электрическим током: I
Климатическое исполнение:
УХЛ1 (по требованию УХЛ2, УХЛ3, УХЛ4, УХЛ5, ХЛ1, ХЛ2, ХЛ3, ХЛ5, Т1, Т2, Т3, Т5, OM1, OM2, OM3, OM4, В2.1з**, В5)
Химостойкое исполнение:
по требованию Х1, Х2, Х3
Код Артикул Напряжение Комплектация Заказать
283260 EVХ-4050-HOOTER-122/12 =12 Ксеноновая лампа+пьезосирена Заказать
283262 EVХ-4050-HOOTER-122/220 ~/=220 Ксеноновая лампа+пьезосирена Заказать
283261 EVХ-4050-HOOTER-122/24 =24 Ксеноновая лампа+пьезосирена Заказать
283263 EVХ-4050-HOOTER-122-LED/12 ~/=12/24 Светодиодная лампа+пьезосирена Заказать
283264 EVХ-4050-HOOTER-122-LED/220 ~/=220 Светодиодная лампа+пьезосирена Заказать
;