;
Четкость получаемого изображения во многом определяется правильным выбором объектива видеокамеры. При выборе объектива кроме фокусного расстояния и освещенности необходимо принимать во внимание требуемую площадь обзора, размеры контролируемых объектов, а также расстояние до камеры. Объективы ввинчиваются в монтажные приспособления типов C или CS.
Упрощенный выбор объективов может производиться по следующим таблицам.
Рабочее расстояние в мм до контролируемого поля размером (мм) | Тип объектива | Заказной номер | |||
|---|---|---|---|---|---|
75x50 | 100x75 | 150x100 | 200x135 |
|
|
-- | -- | 180 | 250 | Cinegon 1,4/8мм | 6GF9001-1AE |
125 | 200 | 275 | 385 | Cinegon 1,4/12мм | 6GF9001-1AJ |
185 | 280 | 395 | 540 | Xenoplan 1,4/17мм | 6GF9001-1AK |
245 | 370 | 510 | 700 | Xenoplan 1,4/23мм | 6GF9001-1AL |
-- | 600 | 900 | 1200 | Xenoplan 1,4/35мм | 6GF9001-1AF |
640 | 850 | -- | -- | Componon 2,8/50мм | 6GF9001-1AN |
-- | -- | 180 | 240 | Mini- 1,3/8мм | 6GF9001-1BE |
-- | 270 | 375 | 510 | Mini-1,6/16мм | 6GF9001-1BF |
290 | 435 | 595 | 880 | Mini- 1,6/25мм | 6GF9001-1BG |
645 | 1000 | 1300 | 2000 | Kompakt- 2,8/50мм | 6GF9001-1AH |
Рабочее расстояние в мм до контролируемого поля размером (мм) | Тип объектива | Заказной номер | ||
|---|---|---|---|---|
300x200 | 400x260 | 600x400 |
|
|
380 | -- | -- | Cinegon 1,4/8мм | 6GF9001-1AE |
570 | 770 | 1200 | Cinegon 1,4/12мм | 6GF9001-1AJ |
800 | 1100 | 1600 | Xenoplan 1,4/17мм | 6GF9001-1AK |
1100 | 1400 | 2200 | Xenoplan 1,4/23мм | 6GF9001-1AL |
1800 | 2400 | 3600 | Xenoplan 1,4/35мм | 6GF9001-1AF |
-- | -- | -- | Componon 2,8/50мм | 6GF9001-1AN |
360 | -- | -- | Mini- 1,3/8мм | 6GF9001-1BE |
750 | 1100 | 1500 | Mini-1,6/16мм | 6GF9001-1BF |
1200 | 1800 | 2400 | Mini- 1,6/25мм | 6GF9001-1BG |
2600 | 4000 | 5200 | Kompakt- 2,8/50мм | 6GF9001-1AH |
Рабочее расстояние в мм до контролируемого поля размером (мм) | Тип объектива | Заказной номер | |||
|---|---|---|---|---|---|
75x50 | 100x75 | 150x100 | 200x135 |
|
|
2/3" CCD-камера 6GF9002-1AA и 6GF9002-1AK | |||||
-- | -- | 135 | 190 | Cinegon 1,4/8мм | 6GF9001-1AE |
-- | 145 | 200 | 285 | Cinegon 1,4/12мм | 6GF9001-1AJ |
-- | 200 | 290 | 405 | Xenoplan 1,4/17мм | 6GF9001-1AK |
180 | 270 | 390 | 530 | Xenoplan 1,4/23мм | 6GF9001-1AL |
-- | -- | 635 | 850 | Xenoplan 1,4/35мм | 6GF9001-1AF |
500 | 630 | -- | -- | Componon 2,8/50мм | 6GF9001-1AN |
-- | -- | -- | 175 | Mini- 1,3/8мм | 6GF9001-1BE |
-- | -- | 280 | 385 | Mini-1,6/ 16мм | 6GF9001-1BF |
225 | 330 | 450 | 610 | Mini- 1,6/25мм | 6GF9001-1BG |
495 | 690 | 1000 | 1400 | Kompakt- 2,8/50мм | 6GF9001-1AH |
Полноформатная CCD-камера 6GF9002-1AL | |||||
-- | -- | 180 | 250 | Cinegon 1,4/8мм | 6GF9001-1AE |
125 | 200 | 275 | 385 | Cinegon 1,4/12мм | 6GF9001-1AJ |
185 | 280 | 395 | 540 | Xenoplan 1,4/17мм | 6GF9001-1AK |
245 | 370 | 510 | 700 | Xenoplan 1,4/23мм | 6GF9001-1AL |
-- | 600 | 900 | 1200 | Xenoplan 1,4/35мм | 6GF9001-1AF |
640 | 850 | -- | -- | Componon 2,8/50мм | 6GF9001-1AN |
-- | -- | 180 | 240 | Mini- 1,3/8мм | 6GF9001-1BE |
-- | 270 | 375 | 510 | Mini-1,6/ 16мм | 6GF9001-1BF |
290 | 435 | 595 | 880 | Mini- 1,6/25мм | 6GF9001-1BG |
645 | 1000 | 1300 | 2000 | Kompakt- 2,8/50мм | 6GF9001-1AH |
3-чиповая RGB-камера 6GF9002-1BB | |||||
260 | 390 | 545 | 730 | Xenoplan 1,4/17мм | 6GF9001-1AK |
340 | 500 | 700 | 1000 | Xenoplan 1,4/23мм | 6GF9001-1AL |
-- | 800 | 1200 | -- | Xenoplan 1,4/35мм | 6GF9001-1AF |
850 | -- | -- | -- | Componon 2,8/50мм | 6GF9001-1AN |
Рабочее расстояние в мм до контролируемого поля размером (мм) | Тип объектива | Заказной номер | ||
|---|---|---|---|---|
300x200 | 400x260 | 600x400 |
|
|
2/3" CCD-камера 6GF9002-1AA и 6GF9002-1AK | ||||
285 | -- | -- | Cinegon 1,4/8мм | 6GF9001-1AE |
430 | 600 | 900 | Cinegon 1,4/12мм | 6GF9001-1AJ |
605 | 820 | 1250 | Xenoplan 1,4/17мм | 6GF9001-1AK |
800 | 1100 | 1600 | Xenoplan 1,4/23мм | 6GF9001-1AL |
1300 | 1900 | 2600 | Xenoplan 1,4/35мм | 6GF9001-1AF |
-- | -- | -- | Componon 2,8/50мм | 6GF9001-1AN |
265 | -- | -- | Mini- 1,3/8мм | 6GF9001-1BE |
580 | 770 | 1160 | Mini-1,6/16мм | 6GF9001-1BF |
900 | 1300 | 1900 | Mini- 1,6/25мм | 6GF9001-1BG |
2000 | 3000 | 4000 | Kompakt- 2,8/50мм | 6GF9001-1AH |
Полноформатная CCD-камера 6GF9002-1AL | ||||
380 | -- | -- | Cinegon 1,4/8мм | 6GF9001-1AE |
570 | 770 | 1200 | Cinegon 1,4/12мм | 6GF9001-1AJ |
800 | 1100 | 1600 | Xenoplan 1,4/17мм | 6GF9001-1AK |
1100 | 1400 | 2200 | Xenoplan 1,4/23мм | 6GF9001-1AL |
1800 | 2400 | 3600 | Xenoplan 1,4/35мм | 6GF9001-1AF |
-- | -- | -- | Componon 2,8/50мм | 6GF9001-1AN |
360 | -- | -- | Mini- 1,3/8мм | 6GF9001-1BE |
750 | 1100 | 1500 | Mini-1,6/16мм | 6GF9001-1BF |
1200 | 1800 | 2400 | Mini- 1,6/25мм | 6GF9001-1BG |
2600 | 4000 | 5200 | Kompakt- 2,8/50мм | 6GF9001-1AH |
3-чиповая RGB-камера 6GF9002-1BB | ||||
910 | -- | -- | Xenoplan 1,4/17мм | 6GF9001-1AK |
-- | -- | -- | Xenoplan 1,4/23мм | 6GF9001-1AL |
-- | -- | -- | Xenoplan 1,4/35мм | 6GF9001-1AF |
-- | -- | -- | Componon 2,8/50мм | 6GF9001-1AN |
Оптическая длина пути линзы определяется ее конструкцией.
Для сферических линз телесный угол зависит от фокусного расстояния, регулировки фокуса и относительного отверстия; все лучи проходят через фокус линзы (центральная проекция). Объекты, находящиеся дальше от линзы, изображаются мельче; объекты, находящиеся ближе к линзе, изображаются более крупно:

Требуемый размер поля изображения (высота и ширина изображения), размер микросхемы датчика и фокусное расстояние линзы определяют рабочее расстояние:
d = (f x IS) / b
d = рабочее расстояние (расстояние от линзы до тестируемого объекта) в мм
f = фокусное расстояние линзы в мм
IS = размер изображения в плане тестируемого объекта в мм
b = эффективные размеры датчика в мм
В случае линз, используемых в системах обработки изображений, фокусное расстояние фиксировано, относительное отверстие и настройки фокуса могут быть зафиксированы. Фокусное расстояние, максимальное действующее отверстие объектива и диапазон фокусирования обычно указываются на линзах.
Фокусное расстояние дает информацию об угле поля изображения или увеличении линзы.
Фокусное расстояние линзы определяется размером требуемого поля изображения и размером микросхемы камеры, когда должно выдерживаться определенное расстояние. Наиболее распространенными размерами микросхем в современных камерах являются ½", 1/3" и ¼". Если расстояние до объекта меньше настраиваемого диапазона фокусировки линзы, т.е. вблизи линзы, то фокус может быть настроен с помощью промежуточных колец.
Если опорные размеры в данной камере спроектированы для линз CS-Mount, как для VS 100 и VS 720, то для настройки линзы C-Mount может быть использовано 5-миллиметровое промежуточное кольцо.
Служит для уменьшения интенсивности света путем прерывания оптического пути
Установка фокуса линзы на определенное расстояние
Это область перед объектом и позади него, которая отображается с достаточной резкостью. Чем больше относительное отверстие (чем меньше его номер), тем меньше глубина резкости.
Линзы с большим фокусным расстоянием имеют меньшую глубину резкости, этот эффект стоит учитывать для изображений при близких расстояниях.
Линзы с меньшим фокусным расстоянием называются широкоугольными линзами, они также могут использоваться на коротких рабочих расстояниях, но сильно искажают изображение. На подходящем расстоянии они имеют большое поле изображения.
Линзы с большим фокусным расстоянием называются телеобъективами; они имеют большое увеличение, но не могут быть сфокусированы на малом расстоянии, так что используются макросъемочные линзы, которые могут быть сфокусированы с помощью больших телескопических насадок или промежуточных колец. На подходящем расстоянии они имеют малое поле изображения.
В случае телеобъективов оптический путь в конце объекта почти параллелен (параллельная проекция). Это значит, что объекты на разных расстояниях отображаются одним размером. Однако, отображаться только такие объекты, которые меньше диаметра линзы. У таких линз нет возможности настраивать диапазон фокусирования.
Оптические характеристики могут быть ограничены с помощью оптических светофильтров для противодействия искажению изображения. Цветные фильтры ограничивают спектральный диапазон, серые фильтры ограничивают интенсивность света, а поляризационные фильтры ограничивают плоскость передачи. Фильтры этого типа могут быть прикреплены или с помощью внутренней резьбы, или с помощью фланца на передней стороне линзы. Держатель стекла для светофильтра спроектирован так, чтобы он подходил к линзе.
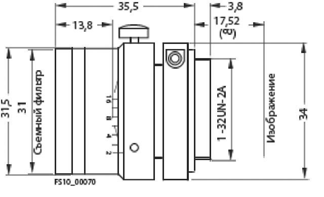
Линза 6GF9 001-1BL01:

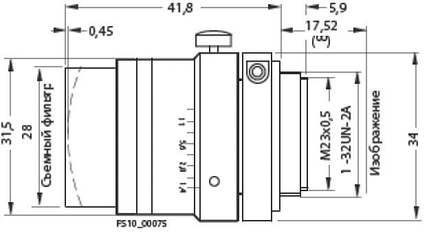
Линза 6GF9 001-1BF01:

Линза 6GF9 001-1BG01:

Линза 6GF9 001-1BH01:

Линза 6GF9 001-1BJ01:

Линза 6GF9 001-1BE01:

Линза 6GF9 001-1AQ:

Линза 6GF9 001-1AU:

Линза 6GF9 001-1AV:

Линза 6GF9 001-1AE:

Линза 6GF9 001-1AJ:

Линза 6GF9 001-1AK:

Линза 6GF9 001-1AL:

Линза 6GF9 001-1AF:

Фильтры 6GF9 001-2AC, 6GF9 001-2AB, 6GF9 001-2AA:

Макроинтерфейс 6GF9 001-1AN:

Набор промежуточных колец Pentax 6GF9 001-1BU:

Макросистема 6GF9 001-1AN:

| Код | Заказной номер | Описание | Вес (кг) | Заказать |
|---|---|---|---|---|
| 66264 | 6GF9001-1AP02 | адаптер для cs-c-монтажа 55м кольцо для vs721 - vs725 | 0.07 | Заказать |
| 66265 | 6GF9001-1BE01 | мини линзы 8.5мм, 1:1.5 pentax c815b(th) с фиксированным фокальным расстоянием, aperture and focus adjustable d=42 mm, l=47 mm | 0.209 | Заказать |
| 114314 | 6GF9001-1BF01 | мини линзы 16мм, 1:1.4 pentax c1614-m(kp с фиксированным фокальным расстоянием, aperture and focus adjustable d=29.5 mm, l=37.2 mm | 0.13 | Заказать |
| 66266 | 6GF9001-1BG01 | мини линзы 25мм, 1:1.4 pentax c2514-m(kp с фиксированным фокальным расстоянием, aperture and focus adjustable d=29.5 mm, l=38.9 mm | 0.081 | Заказать |
| 66267 | 6GF9001-1BH01 | мини линзы 25мм, 1:1.6 pentax c3516-m(kp) с фиксированным фокальным расстоянием, aperture and focus adjustable d=29.5 mm, l=41.4 mm | 0.134 | Заказать |
| 66268 | 6GF9001-1BJ01 | mini lens 50 mm, 1:2.8 pentax c5028-m(kp) с фиксированным фокусом, диафрагма и настраиваемый фокус d=29.5 mm, l=38 mm | 0.129 | Заказать |
| 66269 | 6GF9001-1BK01 | теле линзы, 1:2.8 pentax c7528-m(kp), с фиксированным фокусом, диафрагма и настраиваемый фокус d=34 mm, l=63.6 mm | 0.208 | Заказать |
| 66270 | 6GF9001-1BL01 | мини линзы 12мм, 1:1.4 pentax h1214-m(kp) с фиксированным фокусом, диафрагма и настраиваемый фокус d=29.5 mm, l=35.7 mm | 0.125 | Заказать |
| 114315 | 6GF9001-1BU | набор прокладок, длина: 0.5, 1, 5, 10, 20, 40 mm, диаметр: 31мм с с-резьбой для вкручивания между линзами икамерой, используется для изображений в макро режиме | 0.137 | Заказать |
| 114316 | 6GF9001-1BV | удвоитель для фокусного расстояния длины: 17.9 mm, диаметр 30.5мм, с с-резьбой, чтобы вкучивать между линзами и камерой, для увеличения фокуса в 2 раза | 0.107 | Заказать |
| 66271 | 6GF9001-2AD | инфракрасный фильтр для линз 6gf9001-1bf01,-1bg01,-1bh01, -1bj01,-1bl01, для примения инфракрасного света | 0.05 | Заказать |
| 66272 | 6GF9001-2AE | голубой фильтр для линз 6gf9001-1bf01,-1bg01,-1bh01, -1bj01,-1bl01 | 0.05 | Заказать |
| 114317 | 6GF9001-2AF | фильтр поляризации для линз 6gf9001-1bf01,-1bg01 -1bh01,-1bj01,-1bl01, при использовании поляризованного света | 0.055 | Заказать |
| 114318 | 6GF9002-7AA | lens protection housing ip65 protection mode for vs100-c/cs_mount-sensor head lens with ext. dimensions: diameter: 41mm / 44.6mm length from contact surface: 65mm (e.g. 6gf9001-1bl01, -1bf01, -1bg01, -1bh01, -1bj01) for lamps (mlfb): 6gf9004-7aa01, -7ba01, -8ba01, -8ca01, -8da01 | 0.244 | Заказать |
| 66273 | 6GF9002-7AA01 | lens protection housing pmma degr.of prot. ip65 (w/o glass!) vs100-c/cs_mount-sensor head lens with ext. dimensions: diameter: 41mm / 44.6mm length from contact surface: 65mm (e.g. 6gf9001-1bl01, -1bf01, -1bg01, -1bh01, -1bj01) for lamps (mlfb): 6gf9004-7aa01, -7ba01, -8ba01, -8ca01, -8da01 | 0.238 | Заказать |