;
Suitable for non-corrosive and corrosive gases, vapors and liquids; permissible operating temperature -10 to +400°C.
65 mm to DIN 19205
EN: DN 50 to DN 1000
ASME: 2 inch to 40 inch
EN: PN 6 to PN 100
ASME: class 150 to 600
For the dimensions of the following tapping sockets, see "Function":
See "Technical description" and "Function" for position of the tapping sockets.


Orifice plate with annular chamber (above); tapping socket with threaded connection (below), dimensions in mm

Tapping socket: Socket length is fixed in accordance with the pressure and nominal diameter (DIN 19 205, Part 2).
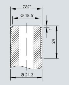
- Threaded connections of tapping sockets for liquids and gases up to PN 160, for steam up to PN 100, dimensions in mm
Versions for steam lines: See "Technical description", "Function" for position of the tapping sockets.
DN | Inside diameter | External diameter d4 / sealing face: plane, with recess or with groove. | ||||||
|---|---|---|---|---|---|---|---|---|
PN 6 | PN 10 | PN 16 | PN 25 | PN 40 | PN 63 | PN 100 | ||
50 | 43 ... 55 | 96 | 107 | 107 | 107 | 107 | 113 | 119 |
65 | 59 ... 71 | 116 | 127 | 127 | 127 | 127 | 138 | 144 |
80 | 73 ... 85 | 132 | 142 | 142 | 142 | 142 | 148 | 154 |
100 | 90 ... 108 | 152 | 162 | 162 | 168 | 168 | 174 | 180 |
125 | 114 ... 132 | 182 | 192 | 192 | 194 | 194 | 210 | 217 |
150 | 142 ... 160 | 207 | 218 | 218 | 224 | 224 | 247 | 257 |
200 | 185 ... 211 | 262 | 273 | 273 | 284 | 290 | 309 | 324 |
250 | 237 ... 262 | 317 | 328 | 329 | 340 | 352 | 364 | 391 |
300 | 285 ... 314 | 373 | 378 | 384 | 400 | 417 | 424 | 458 |
350 | 328 ... 362 | 423 | 438 | 444 | 457 | 474 | 486 | 512 |
400 | 380 ... 408 | 473 | 489 | 495 | 514 | 546 | 543 | – |
500 | 477 ... 514 | 578 | 594 | 617 | 624 | 628 | – | – |
600 | 581 ... 610 | 679 | 695 | 734 | 731 | – | – | – |
700 | 686 ... 710 | 784 | 810 | 804 | 833 | – | – | – |
800 | 776 ... 810 | 890 | 917 | 911 | 942 | – | – | – |
900 | 876 ... 910 | 990 | 1017 | 1011 | 1042 | – | – | – |
1000 | 976 ... 1010 | 1090 | 1124 | 1128 | 1154 | – | – | – |
Orifice plates with annular chambers for installation between EN flanges to EN 1092-1, dimensions in mm and weights
DN | L | E | Weight (approx. in kg) | ||||
|---|---|---|---|---|---|---|---|
PN 6 | PN 10 ... PN | PN 40 | PN 63 ... PN | PN 6 ... PN | With smallest nominal pressure | With largest nominal pressure | |
50 | 79 | 79 | 79 | 79 | 2 ± 0.2 | 2,5 | 4.5 |
65 | 96 | 96 | 96 | 96 | 2 ± 0.2 | 3.4 | 6.4 |
80 | 115 | 115 | 115 | 115 | 4 ± 0.2 | 4.3 | 6.9 |
100 | 137 | 137 | 137 | 137 | 4 ± 0.25 | 4.7 | 8.6 |
125 | 164 | 164 | 164 | 164 | 4 ± 0.25 | 6.3 | 12.4 |
150 | 193 | 193 | 193 | 193 | 4 ± 0.29 | 7.0 | 17.0 |
200 | 247 | 247 | 247 | 247 | 4 ± 0.29 | 10.3 | 26.2 |
250 | 302 | 302 | 302 | 302 | 4 ± 0.32 | 13.1 | 36.6 |
300 | 354 | 354 | 354 | 354 | 4 ± 0.36 | 17.3 | 49.0 |
350 | 403 | 403 | 403 | 403 | 4 ± 0.4 | 25.0 | 63.0 |
400 | 452 | 452 | 452 | 452 | 4 ± 0.4 | 28.0 | 73.8 |
500 | 553 | 563 | 563 | – | 6 ± 0.4 | 36.2 | 65.9 |
600 | 659 | 659 | – | – | 6 ± 0.4 | 42.5 | 75.6 |
700 | 757 | 762 | – | – | 8 ± 0.4 | 51.8 | 89.5 |
800 | 869 | 875 | – | – | 8 ± 0.4 | 61.7 | 109 |
900 | 969 | 975 | – | – | 8 ± 0.4 | 68.3 | 123 |
1000 | 1071 | 1079 | – | – | 10 ± 0.4 | 74.0 | 148 |
Orifice plates with annular chambers for installation between EN flanges to EN 1092-1, dimensions in mm and weights (contd.)
ASME | External diameter d4 / | L | E | Weight (approx. in kg) | |||||
|---|---|---|---|---|---|---|---|---|---|
Class 150 | Class 300 | Class 600 | Class 150 | Class 300 | Class 600 | Class 150 ... 600 | With smallest nominal pressure | With largest nominal pressure | |
2 inch | 105 | 111 | 111 | 79 | 79 | 79 | 2±0.2 | 2.5 | 4.5 |
2½ inch | 124 | 130 | 130 | 96 | 96 | 96 | 2±0.2 | 3.4 | 6.4 |
3 inch | 137 | 149 | 149 | 115 | 115 | 115 | 4±0.2 | 4.3 | 6.9 |
4 inch | 175 | 181 | 194 | 137 | 137 | 137 | 4±0.2 | 4.7 | 8.6 |
5 inch | 197 | 216 | 241 | 164 | 164 | 164 | 4±0.25 | 6.3 | 12.4 |
6 inch | 222 | 251 | 267 | 193 | 193 | 193 | 4±0.29 | 7.0 | 17.0 |
8 inch | 279 | 308 | 321 | 247 | 247 | 247 | 4±0.29 | 10.3 | 26.2 |
10 inch | 340 | 362 | 400 | 302 | 302 | 302 | 4±0.32 | 13.1 | 36.6 |
12 inch | 410 | 422 | 457 | 354 | 354 | 354 | 4±0.36 | 17.3 | 49.0 |
14 inch | 451 | 486 | 492 | 403 | 403 | 403 | 4±0.4 | 25.0 | 63.0 |
16 inch | 514 | 540 | 565 | 452 | 452 | 452 | 4±0.4 | 28.0 | 73.8 |
20 inch | 549 | 597 | 613 | 553 | 563 | 563 | 6±0.4 | 36.2 | 65.9 |
24 inch | 717 | 775 | 790 | 659 | 659 | – | 6±0.4 | 42.5 | 75.6 |
Orifice plates with annular chambers for installation between ASME flanges to ASME B16.5, dimensions in mm and weights
| Код | Заказной номер | Заказать |
|---|---|---|
| 117613 | 7ME1110-.....-.... | Заказать |