;
Весоизмерительная ячейка, действующая на усилие сжатия, для эксплуатации в резервуарных и бункерных весах.
Весоизмерительные ячейки SIWAREX R, серия К | |
|---|---|
возм. области применения | Резервуарные, бункерные весы |
Конструктивное исполнение | Сила сжатия |
Ном. нагрузка/макс. нагрузкаEmax. | 2,8/6/13/28/60/130/280 т |
Класс точности | 0,1% |
Комбинированная погрешность Fcomb | < 0,1% Cn |
Температурный коэффициент | |
| ≤ ± 0,25% Cn/5 K |
| ≤ ± 0,25% Cn/5 K |
Минимальная предварительная нагрузка Emin | ≤ 0% Emax. |
Макс. рабочая нагрузка Lu | 120% Emax. |
Разрушающая нагрузка Ld | 300% Emax. |
Макс. поперечная нагрузка LIq | 10% Emax. |
Номинальный измерительный путь hn приEmax. | 0,23 ... 2,67 мм |
Защита от перегрузки | – |
Напряжение питания Usr (эталонное значение) | 6 В |
Напряжение питания (диапазон) | 6 ... 12 В |
Номинальный показательCn | 1,5 мВ/В |
Допуск показателя Dc | ± 0,5% |
Допуск нулевого сигналаDo | ≤ ± 1,5% Cn |
Входное сопротивлениеRe | около 275 Ω |
Выходное сопротивлениеRa | 245 Ω ± 0,2 Ω |
Сопротивление изоляцииRis | ≥ 20 MΩ |
Номинальный диапазон температур Btn | -10 ... + 60 °C |
Диапазон рабочих температур Btu | -20 ... + 70 °C |
Диапазон температур хранения Bts | -30 ... + 80 °C |
Материалы чувствительного элемента (DIN) | Сталь, окрашенная |
Степень защиты по DIN EN 60 529; IEC 60 529 | IP65 |
Кабельная разводка | |
Принцип действия | Цвет |
|
|
|
|
|
|
|
|
|
|
Измерительный элемент представляет собой сплошной цилиндр нержавеющей стали, на которой расположены 4 расширительных измерительных полоски (DMS).
За счет центрического воздействия нагрузки в измерительном направлении пружинное тело и связанные с ним DMS эластично деформируются. При этом вырабатывается измерительное напряжение, пропорциональное нагрузке.
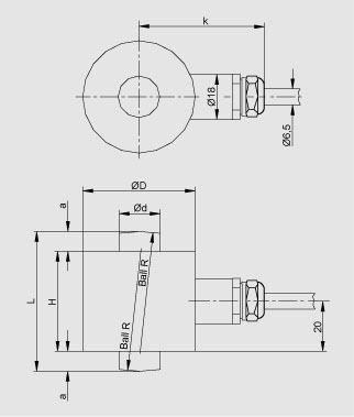
Номинальный измерительный путь ячейки зависит от номинальной нагрузки и находится в диапазоне от 0,23 до 2,67 мм.

Номинальная нагрузка | а | Ød | ØD | H | k | L | R |
|---|---|---|---|---|---|---|---|
2,8 т, 6 т | 8 | 16,7 | 45 | 40 | 54 | 56 | 50 |
13 т | 12 | 24,5 | 55 | 44 | 59 | 68 | 66 |
28 т | 14 | 36 | 64 | 46 | 63,5 | 74 | 72 |
60 кг | 20 | 52,7 | 90 | 50 | 76,5 | 90 | 100 |
130 т | 26 | 77,5 | 121 | 64 | 92 | 116 | 125 |
280 т | 45 | 114 | 165 | 80 | 114 | 170 | 183 |
Весоизмерительная ячейка SIWAREX R, серия К, размеры
| Код | Заказной номер | Описание | Вес (кг) | Заказать |
|---|---|---|---|---|
| 71650 | 7MH3701-1AA1 | заземляющий кабель, длина 400 mm | 0.26 | Заказать |
| 71711 | 7MH4710-2AA | коробка для удлинения кабеля 4- или 6-проводного, защита ip66, размеры 80x75x57 mm. внимание: если кабель от тензодатчкиов будет удлинен с помощью siwarex- сигнального кабеля и если несколько | 0.5 | Заказать |