;
Комбинация из SONOFLO тип 3100 и измерительного преобразователя SONO 3000 является идеальным для приложений, в которых процессы при ТО не могут останавливаться и в которых встречаются очень высокие/низкие температуры и давления.
Легкая замена электроакустического преобразователя без прерывания работы. SONO 3100 для самых высоких требований по производительности и точности поставляется с 4-трековой конструкцией.
Измерительные датчики имеют допуск согласно руководству ЕС 97/23/EF от 29 мая 1997 года для флюидной группы 1, классификация согласно категории III. Конструкция EN 13480 (руководство DGRL)
Ультразвуковые расходомеры SONO 3100 / 3000 используются преимущественно для измерения объема.
2-трековый измерительный датчик, укомплектованный четырьмя электроакустическими преобразователями SONO 3200 | |
|---|---|
Погрешность измерения |
|
Погрешность измерения при эталонных условиях; в % от измеренного значения | v > 0.5 ... 10м/сек, < ±0.5% от измеренного значения (v = скорость потока) |
Вход | 10 м/сек (32 ft) |
Диаметр | DN 100 до DN 1200 (4” до 48”) |
Температура жидкости | -10 °C … +200 °C (14 … 392 °F) |
Окружающая температура | -20 °C … +200 °C (-4 … +392 °F) |
Класс защиты | IP68 (NEMA 6) |
Рабочие условия |
|
Назначенный PN, EN 1092-1-тип II, B |
|
Материал трубы - углеродистая сталь |
|
|
|
|
|
Трубы из нерж. стали |
|
|
|
Назначенный класс EN 1759-1-type II, B |
|
Материал трубы - углеродистая сталь |
|
Материал трубы - нерж. сталь |
|
Без фланцев, только из углеродистой стали |
|
|
|
|
|
Преобразователь SONO 3200 | O-кольцо или фланцевые версии |
Материалы |
|
Труба | Сталь EN 1.0345-P235GH или сталь EN 1.4404 |
Фланец |
|
PN | EN 10025-S235JRG2, 1E1 или EN 10222-5-1.4404, 13E0 |
Класс | ASTM A105,1,1 или ASTM F316L,2,3 |
Корпус электроакустического преобразователя | Нерж. сталь ASTM 316 или подобное |
Сертификаты и допуски |
|
Измерительный датчик с допуском Ex | DEMKO 05 ATEX 137784X (Ex) IIC 2G EEx d IIC T3-T6 |
Сертификат соответствия материала | Измерительный датчик стандартно поставляется со свидетельством о соответствии Siemens. При необходимости имеется сертификат материала для соприкасающихся с веществом компонентов. |
NDT контрольный отчёт | По запросу |
Датчик сертифицирован согласно EU директива 97/23EF от 29.05.97 для жидкостей группа 1, классифицированные в категории III. Дизайн согласно EN 13480 (директива PED). | |
Коаксиальный кабель (75Ω) для SONO 3100/3000 | ||
|---|---|---|
1 x Ø 0.8 мм (0.03”) медный кабель, экранированный |
| |
Диаметр | 5.8 мм (0.23”) | |
Длина | Макс. 250 м между измерительным датчиком и измерительным преобразователем | |
Maтериал (бандаж) | Черный полеэтилен | |
Окружающая температура | -10 … +75 °C (+14 ... +167 °F) | |
1 x Ø 0.65 мм (0.026“) медный кабель экранированный | ||
Диаметр | 5.3 мм (0.21“) | |
Длина | Макс. 100 м между измерительным датчиком и измерительным преобразователем | |
Материал (бандаж) | FEP коричневый | |
Окружающая температура | -200 … +200 °C (-328 ... +392 °F) | |
SONO 3100 / 3000 состоит из измерительного датчика SONO 3100, электроакустических преобразователей- по желанию с O-уплотнением или фланцами - и измерительного преобразователя SONO 3000.
SONO 3100 как правило поставляется как 2-трековое решение с фланцами и диаметрами между DN 100 и DN 1200.
4-трековая версия поставляется по желанию.
SONO 3100 предлагается из AISI 316 от DN 100 до DN 300 и из углеродистой стали от DN 350 до DN 1200.
Измерительный преобразователь SONO 3000 - см. измерительный преобразователь SONO 3000.


PN6 | PN10 | PN16 | ||||||||||||
|---|---|---|---|---|---|---|---|---|---|---|---|---|---|---|
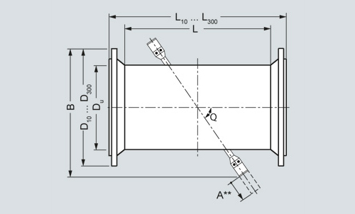
DN | DU | L | B | θ | H | W6*) | D6 фланец dla. | L6 | W10*) | D10 фланец dla. | L10 | W16*) | D16 фланец dla. | L16 |
| [мм] | [мм] | [мм] | [°] | [мм] | [мм] | [мм] | [мм] | [мм] | [мм] | [мм] | [мм] | [мм] | [мм] |
100 | 114.3 | 860 | 305 | 30 | 48.2 | - | - | - | 3.6 | 220 | 960 | 3.6 | 220 | 960 |
125 | 139.7 | 862 | 325 | 30 | 59.3 | - | - | - | 4.0 | 250 | 970 | 4.0 | 250 | 970 |
150 | 168.3 | 862 | 350 | 30 | 71.7 | - | - | - | 4.5 | 285 | 970 | 4.5 | 285 | 970 |
200 | 219.1 | 668 | 430 | 45 | 92.9 | - | - | - | 6.3 | 340 | 790 | 6.3 | 340 | 790 |
250 | 273.0 | 714 | 480 | 45 | 117.2 | - | - | - | 6.3 | 395 | 850 | 6.3 | 405 | 850 |
300 | 323.9 | 607 | 525 | 45 | 139.4 | - | - | - | 7.1 | 445 | 740 | 7.1 | 460 | 760 |
350 | 355.6 | 639 | 550 | 45 | 152.8 | - | - | - | 8.0 | 405 | 770 | 8.0 | 520 | 800 |
400 | 406.4 | 703 | 600 | 45 | 175.7 | - | - | - | 8.0 | 565 | 850 | 8.0 | 580 | 875 |
500 | 508.0 | 797 | 690 | 45 | 222.2 | - | - | - | 7.1 | 670 | 950 | 8.0 | 715 | 980 |
600 | 610.0 | 912 | 705 | 60 | 268.1 | - | - | - | 7.1 | 780 | 1075 | 8.8 | 840 | 1105 |
700 | 711.0 | 937 | 895 | 60 | 312.8 | - | - | - | 8.0 | 895 | 1100 | 8.8 | 910 | 1140 |
800 | 813.0 | 967 | 985 | 60 | 358.7 | - | - | - | 8.0 | 1015 | 1150 | 10.0 | 1025 | 1180 |
900 | 914.0 | 1007 | 1070 | 60 | 402.3 | - | - | - | 10.0 | 1115 | 1200 | 10.0 | 1125 | 1230 |
1000 | 1016.0 | 1060 | 1160 | 60 | 448.2 | - | - | - | 10.0 | 1230 | 1250 | 10.0 | 1255 | 1300 |
1200 | 1220.0 | 1100 | 1350 | 60 | 539.1 | 8 | 1340 | 1280 | 11.0 | 1455 | 1330 | 12.5 | 1485 | 1360 |
PN25 | PN40 | ||||||||||
|---|---|---|---|---|---|---|---|---|---|---|---|
DN | DU | L | B | θ | H | W25*) | D25 фланец dla. | L25 | W40*) | D40 фланец dla. | L40 |
| [мм] | [мм] | [мм] | [°] | [мм] | [мм] | [мм] | [мм] | [мм] | [мм] | [мм] |
100 | 114.3 | 860 | 305 | 30 | 48.2 | 3.6 | 235 | 990 | 3.6 | 235 | 990 |
125 | 139.7 | 862 | 325 | 30 | 59.3 | 4.0 | 270 | 990 | 4.0 | 270 | 990 |
150 | 168.3 | 862 | 350 | 30 | 71.7 | 4.5 | 300 | 1010 | 4.5 | 300 | 1010 |
200 | 219.1 | 668 | 430 | 45 | 92.9 | 6.3 | 360 | 820 | 6.3 | 375 | 840 |
250 | 273.0 | 714 | 480 | 45 | 117.2 | 7.1 | 425 | 890 | 7.1 | 450 | 920 |
300 | 323.9 | 607 | 525 | 45 | 139.4 | 8.0 | 485 | 790 | 8.0 | 515 | 830 |
350 | 355.6 | 639 | 550 | 45 | 152.8 | 8.0 | 555 | 840 | 8.8 | 580 | 880 |
400 | 406.4 | 703 | 600 | 45 | 175.7 | 8.8 | 620 | 925 | 11.1 | 660 | 975 |
500 | 509.0 | 797 | 690 | 45 | 222.2 | 10.0 | 730 | 1050 | 14.2 | 755 | 1080 |
600 | 610.0 | 912 | 705 | 60 | 268.1 | 11.0 | 845 | 1165 | - | - | - |
700 | 711.0 | 937 | 895 | 60 | 312.8 | 12.5 | 960 | 1190 | - | - | - |
800 | 813.0 | 967 | 985 | 60 | 358.7 | 14.2 | 1085 | 1240 | - | - | - |
900 | 914.0 | 1007 | 1070 | 60 | 402.3 | 16.0 | 1185 | 1300 | - | - | - |
1000 | 1016.0 | 1060 | 1160 | 60 | 448.2 | 17.5 | 1320 | 1370 | - | - | - |
1200 | 1220.0 | 1100 | 1350 | 60 | 539.1 | - | - | - | - | - | - |
*) толщина стенки
SONO 3100, 2-тракта, фланцевая конструкция | |||||
|---|---|---|---|---|---|
Ном. диаметр | Вес [кг] ([lbs]) | ||||
DN | PN 6 | PN 10 | PN 16 | PN 25 | PN 40 |
100 | - | 32 (70.5) | 32 (70.5) | 35 (77.2) | 35 (77.2) |
125 | - | 38 (83.8) | 38 (83.8) | 44 (97.0) | 44 (97.0) |
150 | - | 45 (99.2) | 45 (99.2) | 52 (114.6) | 52 (114.6) |
200 | - | 59 (130.0) | 58 (127.9) | 70 (154.3) | 79 (174.2) |
250 | - | 73 (161.0) | 75 (163.3) | 96 (211.6) | 117 (257.9) |
300 | - | 83 (183.0) | 92 (202.8) | 114 (251.3) | 151 (332.9) |
350 | - | 98 (216.0) | 113 (249.1) | 145 (332.9) | 191 (421.1) |
400 | - | 119 (262.4) | 141 (310.9) | 191 (421.1) | 275 (606.3) |
500 | - | 153 (337.3) | 207 (456.4) | 284 (626.0) | 379 (836.0) |
600 | - | 193 (425.5) | 276 (608.5) | 363 (800.3) | - |
700 | - | 262 (577.6) | 303 (668.0) | 480 (1058) | - |
800 | - | 329 (725.3) | 400 (881.8) | 650 (1433) | - |
900 | - | 428 (943.6) | 475 (1047) | 835 (1841) | - |
1000 | - | 500 (1002) | 594 (1010) | 1078 (2377) | - |
1200 | 470 (1036) | 732 (1614) | 902 (1989) | - | - |

Электрическая схема подключения SITRANS FUS060 и SONO 3100
Тип/описание | Ном. давление | Материал | Диапазон температур | Заказной номер | Изображение |
|---|---|---|---|---|---|
Кабельная соединительная коробка (резьба под кабельные вводы M20) | N/A | PA 6.6 | -20 ... +100 °C | FDK-085??? |
|
Кабельная соединительная коробка (резьба под кабельные вводы M20) | N/A | ASTM 316 | -20 ... +200 °C | FDK-085??? | |
Кабельная соединительная коробка (резьба под кабельные вводы ½“ NPT ) | N/A | PA 6.6 | -20 ... +100 °C | FDK-085??? | |
Кабельная соединительная коробка (резьба под кабельные вводы ½“ NPT ) | N/A | ASTM 316 | -20 ... +200 °C | FDK-085??? | |
Прокладка для O-кольца | PN 40 | 70 FFKM | -20 ... +200 °C | FDK-085B1098 | |
Прокладки и 12 мм болты для фланцевых преобразователей | PN 40 | Graphite 316 SS | -20 ... +200 °C | FDK-085B1083 |
Тип/описание | Заказной номер | Изображение |
|---|---|---|
Комплект герметизации, IP68, 10 м (289 ft) | FDK-085L2403 |
|
Тип/описание | Длина излучателя | Заказной номер | Изображение |
|---|---|---|---|
Инструмент для извлечения излучателей SONO 3200 с O-кольцами под давлением (hot-tap) | 50 мм (1.97“) Излучатели | FDK- 085B5331 |
|
88 ...160 мм (3.5“ ... 6.3“) Излучатели | FDK- 085B5333 |
Тип/описание | Длина м (ft) | Заказной номер | Изображение |
|---|---|---|---|
Коаксиальный кабель FUS060, (75 Ω, макс. 70 ºC (158 ºF), черный PVC) | 3 (9.84) | A5E00875101 |
|
15 (49.21) | A5E00861432 | ||
30 (98.43) | A5E00??? | ||
60 (196.85) | A5E00??? | ||
90 (295.28) | A5E00??? | ||
120 (393.70) | A5E00??? | ||
Высокотемпературный коаксиальный кабель для FUS060 (с частью длиной 0,3 м на концах к преобразователю, 75 Ω, макс. 70 °C (158 °F) / 200 °C (392 °F), черный PVC и коричневый PTFE) (75 Ω, макс. 70 ºC (158 ºF), черный PVC) | 3 (9.84) | A5E00875101 | |
15 (49.21) | A5E00861432 | ||
30 (98.43) | A5E00??? | ||
60 (196.85) | A5E00??? | ||
90 (295.28) | A5E00??? | ||
120 (393.70) | A5E00??? |
Тип/описание | Заказной номер | Изображение |
|---|---|---|
Кабель излучателей – стандарт | A5E00861432 |
|
Кабель излучателей –высокотемпературный | A5E00861438 | |
Кабель излучателей – высокотемпературный | A5E00861435 |
Тип/описание | Заказной номер | Изображение |
|---|---|---|
Кабельная соединительная коробка |
|
|
| FDK-085B1361 | |
| FDK-085B1363 |
Тип/описание | Размер | Заказной номер | Изображение |
|---|---|---|---|
Кабельные вводы, Хромированная латунь | M20 для одного 6 мм коаксиального кабеля | FDK-085??? |
|
Кабельные вводы, Хромированная латунь | ½“ NPT для одного 6 мм коаксиального кабеля | FDK-085??? |
|
Кабельные вводы, EEx | M20 для одного 6 мм коаксиального кабеля , материал 316 SS | FDK-085??? |
|
Кабельные вводы, EEx | ½“ NPT для одного 6 мм коаксиального кабеля, 316 SS | FDK-085??? |
|
| Код | Заказной номер | Описание | Вес (кг) | Заказать |
|---|---|---|---|---|
| 71152 | 7ME310.-.....-.... | ультразвуковой расходомер sitrans f us sonoflo sono 3100 2-х трековый | 0.5 | Заказать |
| 78134 | A5E00814513 | sitrans f us sono 3100 op instr en | 0.1 | Заказать |
| 124611 | A5E00835255 | sono3200 terminal housing in ss liquid temperature: -20 to +200deg.c, m20 cable gland and atex ex ib. | 1.205 | Заказать |
| 78160 | A5E00836448 | sono 3200 complete transducer, o-ring gasket in ffkm, liquid temperature: -20 to +200deg.c, pn 40, length 50 mm, terminal housing in ss, m20 cable gland and atex ex.ib approval. | 1.78 | Заказать |
| 78162 | A5E00836465 | sono 3200 complete transducer, flange connection, liquid temperature: -20 to +200deg.c, pn 40, length 88 mm, terminal housing in ss, m20 cable gland and atex ex.ib approval. | 4.2 | Заказать |
| 124613 | A5E00839427 | terminal housing in ss, liquid temperature: -20 to +200deg.c, npt cable gland. | 1.205 | Заказать |
| 124614 | A5E00839431 | sono 3200 complete transducer, o-ring gasket in ffkm, liquid temperature: -20 to +200deg.c, pn 40, length 50 mm, terminal housing in ss, npt cable gland. | 1.78 | Заказать |
| 78165 | A5E00839440 | sono 3200 complete transducer, flange connection, liquid temperature: -20 to +200deg.c, pn 40, length 88 mm, terminal housing in ss, npt cable gland. | 4.2 | Заказать |
| 78166 | A5E00839460 | terminal housing in plastic pa 6.6, liquid temperature: -20 to +100deg.c, npt cable gland. | 0.328 | Заказать |
| 124616 | A5E00839472 | sono 3200 complete transducer, o-ring gasket in fkm 602, liquid temperature: -20 to +100deg.c, pn 40, length 50 mm, terminal housing in plastic pa 6.6, npt cable gland. | 0.727 | Заказать |
| 78368 | A5E02123845 | sitrans fus060 with hart op instr de | 0.02 | Заказать |
| 78413 | A5E02246194 | sitrans fus cable gland, m20 steel a4, cablediameter:4-6mm, -25 to 200degc | 0.01 | Заказать |
| 124844 | A5E02246258 | sitrans fus cable gland, 1/2 inch npt chrome plated bras cablediameter:5-9mm, -40 to 100degc | 0.01 | Заказать |
| 78414 | A5E02246304 | sitrans fus cable gland , m20 pa-black cablediameter:5-13mm, -20 to 100degc | 0.01 | Заказать |
| 78415 | A5E02246309 | sitrans fus cable gland, 1/2 inch npt pa-grey, cablediameter:5-9mm, -20 to 100degc | 0.01 | Заказать |
| 78416 | A5E02246311 | sitrans fus cable gland , m20 steel, cablediameter:5-8mm, -60 to 180degc, atex ex.d. | 0.01 | Заказать |
| 124958 | A5E02593524 | kryogen transducer | 4 | Заказать |
| 79931 | FDK:085B1089 | sitrans fus spare parts: gaskets o-ring for sono 3200 o-ring transducer type (1 bag with 3 pieces) | 0.04 | Заказать |
| 126310 | FDK:085B5450 | sono 3200 complete transducer, o-ring gasket in ffkm, liquid temperature: -20 to +200deg.c, pn 40, length 50 mm, terminal housing in ss, m20 cable gland. | 2.2 | Заказать |
| 126311 | FDK:085B5451 | sono 3200 complete transducer, o-ring gasket in ffkm, liquid temperature: -20 to +200deg.c, pn 40, length 50 mm, terminal housing in ss, m20 cable gland and atex eexd approval. | 1.78 | Заказать |
| 79932 | FDK:085B5461 | sono 3200 complete transducer, flange connection, liquid temperature: -20 to +100deg.c, pn 40, length 88 mm, terminal housing in plastic pa 6.6, m20 cable gland. | 3.18 | Заказать |
| 126314 | FDK:085B5462 | sono 3200 complete transducer, flange connection, liquid temperature: -20 to +200deg.c, pn 40, length 88 mm, terminal housing in ss, m20 cable gland. | 4.067 | Заказать |
| 79933 | FDK:085B5463 | sono 3200 complete transducer, flange connection, liquid temperature: -20 to +200deg.c, pn 40, length 88 mm, terminal housing in ss, m20 cable gland and atex eex d approval. | 4.2 | Заказать |
| 79934 | FDK:085B5501 | terminal housing in plastic pa 6.6, liquid temperature: -20 to +100deg.c, m20 cable gland. | 0.328 | Заказать |
| 79935 | FDK:085B5504 | terminal housing in ss, liquid temperature: -20 to +200deg.c, m20 cable gland. | 1.205 | Заказать |
| 126315 | FDK:085B5505 | terminal housing in ss, liquid temperature: -20 to +200deg.c, m20 cable gland and atex ex.d. | 1.205 | Заказать |